
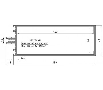
Профиль алюминиевый - стойка-ригель 129 мм
Система ТВ2-48 предназначена для вертикального остекления наружных фасадов зданий нижних этажей, с различными внешними и внутренними углами поворота, горизонтальных ленточных проёмов на любой высоте, балконов, лоджий, а так же внутренних перегородок.
Используемые материалы:
Данная система обладает рядом особенностей:
1) Стойки и ригели – профили из одного ряда и могут быть взаимозаменяемыми.
2) Алюминиевые профили стоек и ригелей оптимизированы по минимальной массе и максимальным моментам инерции из учёта возможностей современных технологий прессования.
3) Упрощены узлы соединения ригелей со стойками до необходимого минимума для вертикальных конструкций первого этажа высотой до 5 м без возможности стыковки стоек по высоте.
4) Ширина лицевой части профилей изнутри конструкции – 48 мм, а снаружи – 44, 48 или 50 мм.
5) Заполнение конструкций может быть в пределах от 1 мм до 38 мм.
6) Ригеля системы ТВ2-48 могут соединяться со стойками Т48:
- Позволяет использовать все преимущества заложенные в фасадной системе Т48, связанные со сбором конденсата и влаги, и стыковкой стоек по высоте;
- Позволяет использовать преимущества ригелей фасадной системы ТВ2-48, связанные с более надёжной фиксацией ригеля от поворота на вкладыше и сбором конденсата под стеклопакетом.
7) Поворотные профили, прижимные планки с крышками, опоры и кронштейны используются те же, что и в системе Т48,ТФ50К.
8) В конструкцию могут устанавливаться: фасадные окна с открыванием наружу ТОН-4 и ФОМ; окна с открыванием внутрьС67, С60; двери наружного и внутреннего открывания Д40, С67, С60; сист
В системе ТВ2-48 предусмотрены влагоотвод, вентиляция, компенсация температурных расширений.
9) Малый вес и габариты профилей позволяют использовать систему ТВ2-48 для изготовления внутренних перегородок.
Профили алюминиевые серии Т48 прессуются из сплава AlMgSi 0,5 (6060, 6063) и в соответствии с DIN EN 573. Этот сплав устойчив к коррозии и позволяет изготавливать профили высокой точности DIN EN 755. Размеры профилей могут изменяться в пределах допусков размеров и толщины в соответствии с требованиями ДСТУ Б В.2.6.-3-95 ( ГОСТ22233 ), UNI 3879, DIN EN 755, DIN 17615.
Покрытие алюминиевых профилей – порошковыми эмалями толщиной не менее 70 мкм на всех видимых поверхностях, согласно с международной шкалой цветов RAL или других специальных цветов. Покрытие наносится электростатическим способом с полимеризацией при температуре 160-200 град С. Предварительная подготовка поверхности алюминиевого профиля перед покрытием – хроматирование; или анодирование - нанесение оксидного слоя толщиной 6 мкм электрохимическим путём – Ан. Окс.6.
| Основные | |
|---|---|
| Производитель | Талисман |
| Страна производитель | Украина |
| Вид детали | Профиль |
При прибытии заказа на новую почту вы получите извещение с новой почты. Заказ хранится в почтовом отделении в течении 3 дней с момента прибытия. Для получения заказа нужно иметь при себе паспорт.
При прибытии заказа на САТ вы получите извещение . Заказ хранится в почтовом отделении в течении 3 дней с момента прибытия. Для получения заказа нужно иметь при себе паспорт.

Оплатить счет в офисе вы можете наличными. Оплата в кассе компании Талисман осуществляется по адресу: г. Бровары,ул.Броварской сотни 3 (Чкалова). ВНИМАНИЕ! Оплата наличными производится только до 17.00!
Оплатить счет вы можете картами платежных систем VISA и MASTERCARD
Для юридических лиц будет выставлен счет для оплаты по безналичному расчету. Для оформления заявки юридическому лицу необходимо выслать реквизиты на адрес shop@talisman.ua.